欢迎洛阳千协轴承设备有限公司官网!
XML地图
|
在线留言
|
联系我们
网站首页
关于我们
加工设备
荣誉资质
加工流程
轴承产品
交叉滚子轴承
转盘轴承
YRT转台轴承
等截面薄壁轴承
谐波减速机轴承
中空旋转平台轴承
滚珠丝杠轴承
交叉圆锥滚子轴承
角接触球轴承
非标定制轴承
轴承知识
公司资讯
行业动态
常见问题
联系我们
抖音号
爱采购店铺
1688店铺
咨询服务热线
185-3790-3166
交叉滚子轴承
交叉滚子轴承
转盘轴承
YRT转台轴承
等截面薄壁轴承
谐波减速机轴承
中空旋转平台轴承
滚珠丝杠轴承
交叉圆锥滚子轴承
角接触球轴承
非标定制轴承
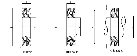
CRBH交叉滚子轴承
CRBH交叉滚子轴承是RU系列的超薄型轴承,因为采用了超薄设计,外环和内环都没有安装孔,安装时,需要法兰和支撑座来固定。而且,因为该轴承外环和内环都是整体结构,安装时对性能的影响较小,所以能够获得比较稳定的旋转精度和扭矩,比较适用于外环和内环都旋转,但是要求尺寸小型化的场合。...
立即咨询
全国热线
0379-61127996
详情介绍
上一篇:SX交叉滚子轴承
下一篇:CRBT交叉滚子轴承
推荐产品
RA交叉滚子轴承
查看更多
RB交叉滚子轴承
查看更多
RE交叉滚子轴承
查看更多
了解详情
立即咨询
快捷导航
网站首页
关于我们
轴承产品
轴承知识
联系我们
抖音号
爱采购店铺
1688店铺
联系方式
手 机:185-3790-3166
电 话:0379-61127996
地 址:河南省洛阳市310国道与衡山路交叉口工业园
友情链接
拔丝机
光谱仪
压延机
螺旋管厂家
防爆墙
灰板纸
洛阳钢筋建筑网片
聚丙烯酰胺
卧式暗装风机盘管
海志蓄电池
nak80模具钢
紫外线灯管
高低温交变试验箱
漳平网
濮阳软化水设备
铸钢
济源水处理
过跨车
深圳电梯厂家
工业滤布
直膨式空调机组
反渗透纯水设备
灌浆料厂家
合肥厂房装修
防爆墙厂家
椰壳活性炭
光纤测温
重质碳酸钙
阿特拉斯博莱特
智慧社区
转盘轴承
在线咨询
咨询电话:
185-3790-3166
微信扫码 关注我们
Copyright © 2002-2022 洛阳千协轴承 版权所有 备案号:
豫ICP备17030821号-1
豫公网安备 41030302000503号
txt地图
网站地图
扫一扫咨询微信客服
0379-61127996
微信号:18537903166
微信二维码
如有轴承需求?请留下联系方式
请填写您的电话与需求,我们将及时与您沟通!